來源:巨靈鳥軟件 作者:進銷存軟件 發布:2014/10/3 瀏覽次數:5507
一、 業務說明:
財務商品帳管理員是流通企業財務部門人員最多的崗位,財務部門主要根據經營品種的數量和貨品的存放管理商品明細帳,為統一名詞,以下所有商品明細帳統稱存貨帳。
存貨帳管理員主要記錄進貨、進貨補差、進貨退出、銷售、銷售退回、報損、報溢、
借貨(供銷售)、還貨、內部調撥出、內部調撥退回、內部調撥入、內部調撥退出等業務。
在一般情況下,存貨明細帳只按照貨品設明細帳,而不管貨品存放的保管帳地點,當
移庫發生時,財務存在兩種處理情況,一是移庫單據不在業務部門和財務之間傳遞,一是業務部門將移庫單傳遞到財務,但財務僅僅只是在存貨明細帳的備注欄記錄貨品的移動。
存貨帳貨品的核算方法主要選用:月底加權平均、移動平均、先進先出法、批次核算、銷價核算、計劃價法,在商品流通企業主要選用月底加權平均、移動平均、先進先出法、批次核算等方法,在零售行業主要選用銷價核算方法。選用什么方法都可以,但最重要的原則是:必須仔細了解手工核算的過程,特別是特殊業務的手工處理方法。以下問題是關鍵點:
A. 補差問題:
a.全部在補差的當月轉入本期損益;
b.補差不轉入損益,全部記入存貨明細帳;
c.根據財務確認的庫存量,決定多少補差轉入本期損益,多少記入存貨明細帳,在以后月分攤。
B. 內部調撥的存貨計價問題:
a.調撥入按照調撥價記賬;
b.調撥退出按照調撥價記賬;
c.調撥出按照成本價記賬;
d.調撥退回按照成本價記賬;
e.目前還存在調撥出和退回計價按照調撥價記賬的情況;
f.調撥退出也可能存在按照成本價記賬的問題,在實際業務中可能不按照調撥退出
處理,而按照調撥出處理,這時的成本實際是按照成本計價的。
C. 報損、報溢的存貨計價問題:
a.報損、報溢單在審批時就確認了應該報損的金額;
b.報損、報溢單在審批時只確認應該報損的數量;
D. 借還貨業務:發生在帳外的借貨業務肯定是為了銷售,但借貨時的成本是很難確定,財務在手工處理時經常在帳上掛紅字,一是處理方便,同時也是為了隱瞞某些特殊問題。
特殊的銷售退回業務:某些貨品公司已經很長時間不經營,或客戶退回的貨品是公司根本上就不經營的貨品,此時的貨品成本的確定是令存貨帳管理員頭痛的事情,這樣的規則一定要把握清楚。
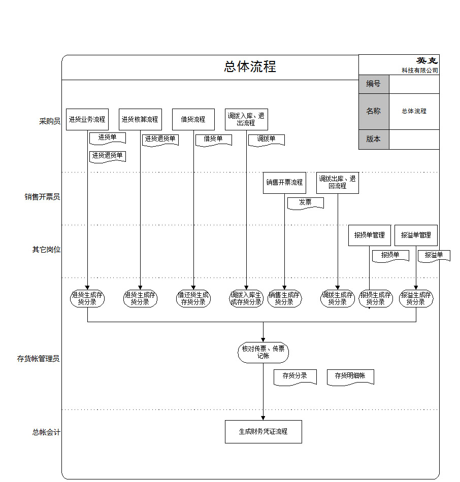
二、流程圖
存貨帳管理的流程如下:(正向)

與此相對,逆向流程如下:

三、 流程圖說明:
正向流程中,存貨帳管理員的工作貫穿于進貨、進貨結算、借貨、調撥、銷售、報損和報溢流程中,根據不同的流程生成不同的存貨分錄,并將分錄記在傳票上。最后,存貨帳管理員還要核對傳票、對傳票進行記帳。對存貨明細帳產生影響。最后由總帳會計完成生成財務憑證的工作。
與此相對應,在存貨帳管理的逆向流程中,如果存貨帳管理員要回退傳票記帳,那他要回退相應流程產生的存貨分錄,進而一步步回到相應的流程,同樣要作廢相應產生的單據(如發票)。
四、 單據說明:
無單據
五、 報表說明:
A. 成本分析表:將成本單價在本月和上月差異在某一百分比的貨品列示出來,共經理們參考;
B. 毛利表:統計本月存貨出庫所對應的毛利金額的報表,此報表統計的是財務意義上的毛利不涉及返利等業務對成本的影響(一般并不用于業務員考核)。
六、 崗位職責:
A.檢查收到的單據(進貨單、進貨補差單、借出單、還回單、銷售發票、調撥單、報損報溢單等)是否準確;
B.發現不正確的單據要及時返回上一部門要求更正;
C.按時將收到的單據利用PM/BMS提供的功能生成存貨帳分錄;
D.按照財務記賬憑證編制要求,正確生成傳票;
E.核對傳票分錄正確后,將單據和對應的傳票號交總帳管理員生成正式財務憑證;
F.發現新經營的貨品在沒有入庫而出現銷售時,有義務和采購員協商貨品的成本;
G.對成本核算方法的選擇應根據經營情況和財務核算的要求向財務經理提出建議;
七、 崗位操作規范:
A.進貨生成存貨傳票分錄
B.銷售生成存貨傳票分錄
C.調撥生成存貨傳票分錄
D.調撥出生成存貨傳票分錄
E.借貨生成傳票分錄
F.報損生成傳票分錄
G.報溢生成存貨傳票分錄
H.移庫生成存貨傳票分錄
I.回退進貨生成存貨傳票分錄
J.回退銷售生成存貨傳票分錄
K.回退調撥生成存貨傳票分錄
L.回退調撥出生成存貨傳票分錄
M.回退借貨生成傳票分錄
N.回退報損生成傳票分錄
O.回退報溢生成存貨傳票分錄
P.回退移庫生成存貨傳票分錄
八、 可以簡化的業務流程:
A. 存貨分錄可以在單據保存時直接生成,由業務人員直接代存貨帳管理員生成存貨帳分錄,而存貨帳管理員只需要點單就可以了;
B. 這樣的設置在采用移動平均,先進先出,批次核算方法下是最可行的,可以減少成本的跳動發生率;
九、 可能遇到的特殊問題:
A. 特殊的補差問題;
B. 期初存在紅字庫存
C. 由于進貨補差等因素月末存貨數量為零但有金額;
十、 配置說明:
A.定義外部序列號;
B.利用不同的外部序列號定義不同類型的存貨傳票,建議一般按照業務類型定義,如:進貨、銷售、調撥、借還貨等;
C.在生成存貨傳票分錄功能行為屬性中,定義對應的存貨傳票;
D.在回退存貨傳票分錄功能行為屬性中,將回退復選框選中;
來源:巨靈鳥 歡迎分享本文
上一個文章:如何分步驟實施ERP規劃
下一個文章:ERP標準流程6-出入庫管理