來源:本站 作者:匿名 發布:2024/3/10 瀏覽次數:2429
物料編碼就是用代碼來代表物料,每個物料賦予一個唯一代碼。就像人的身份證號,人名是會重復的,但是身份證號是唯一的,軟件都是通過物料代碼來讀取物料信息的。
ERP系統中對所有物料進行編碼是一項基礎性的工作,不光是給物料編碼,還包括給物料分類、填寫物料名稱、物料規格型號、計量單位等信息。
筆者根據多年ERP實施的經驗,列舉企業在物料編碼中可能會遇到的各種問題,讓大家少走彎路。
1、沒有指導編碼的規范性文件
很多企業都是頭一次使用ERP系統,缺乏經驗指導,一上來直接就對現有庫存物料進行編碼,然后導入系統中直接使用。這種短平快的工作方式帶來的問題很多,比如編碼風格不統一,編碼人員會根據自己的習慣進行編碼,比如計量單位公斤,有人寫kg有人寫公斤有人寫KG,比如要給一個筆記本電腦命名:13代酷睿i7/4060/1T/2.5K/240HZ/8小時續航/2560*1400,究竟要寫哪些信息才算完整的表達了這個電腦?究竟哪個信息寫在前面哪個信息寫在后面?也沒個標準的書寫格式,每個信息的內容代表什么意思,大家能不能看得懂。有些企業讓技術部負責編碼,寫出來的東西其他部門根本看不明白。
解決對策:制定物料編碼規則,編碼規則經過各部門討論后生效。編碼規則有變化先修改規則。這樣的好處是有技術含量的工作是制定這個編碼規則,而規則制定好以后,按這個編碼規則進行編碼的人員相對比較容易了。
編碼人員要按編碼規則進行編碼,編碼人員崗位相對穩定不要經常更換。編碼人員要對編碼的物料非常熟悉,知道如何制定名稱、規格型號。
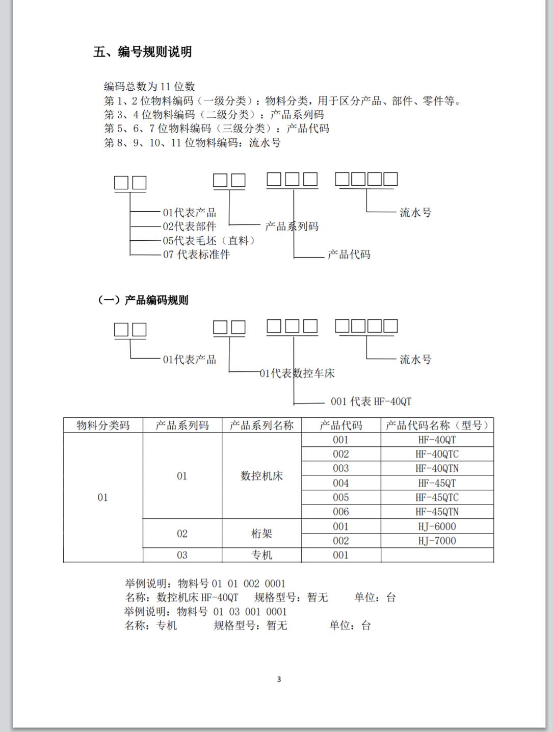
物料編碼規則示例如下:




2、沒有分類
分類的好處是方便后續使用,可以按分類進行統計、查詢

物料分類中的一級分類最好經過各部門協商討論,因為每個部門對一級分類有各自的要求,比如財務從財務核算的角度考慮,倉庫從物品的用途考慮
3、一物多碼
絕大多數情況下ERP系統要求一物一碼,但是企業在ERP使用中管理不完善,編碼人員對物料不熟悉或人員變動等情況,這個物料已有編碼又再增加了一個編碼,有些不常用的物料每次使用就重新搞個編碼,編碼不同名稱規格也寫的不一樣,但其實都是同一個物料。
解決的對策:申請編碼前先查詢下是否已有這個物料的編碼存在。指定一個人進行物料編碼,或者產成品由一個人編,原材料一個人編碼。
有些企業編碼時會把供應商信息編入到物料編碼中,優點是避免用錯料,缺點是這個物料有10家供應商就有10個編碼,而且后期維護成本很高,新增加一個供應商就要增加很多物料編碼
解決對策:使用物料編碼+品牌來區分,10個供應商也只有一個物料編碼

在特殊情況下也允許一物多碼的存在,比如客供料。假設我方有來料加工業務,即客戶提供物料,我方負責加工。同一個物料10家客戶提供就會產生10個編碼,這個沒法像供應商那樣編碼+供應商,因為這個編碼是客戶給的編碼。
這里有個前提條件:這10家客戶提供的物料是同一個物料,是可以放在一起混合使用的。并且任何一個料號庫存發生變化后,其余9個料號庫存也要保持一致!如果有企業存在這種情況的,我們的解決辦法如下:
一、在重復物料管理表中建立這10個物料的信息,并更新庫存與物料編號1庫存一致

二、任用何一個料號做了出入庫,其余料號都會自動做個庫存調整單使庫存始終保持一致
4、有意義的編碼和無意義的編碼
下面哪種編碼大家任何更好呢?
400000147
YB-06-045-001
YB.06.045.001
H-35022A11M-01/A
有些企業希望能從編碼中知道這個物料的大概情況,是產品還是原材料,材質信息,最后一位A代碼一版,B代碼變更過。
現在主流的都傾向于純數字編碼,有意義的編碼的確有利于記憶,但是對編碼員的要求很高,后期的維護成本很高。編碼就像人的身份證,除了自己記得其他人不會記得你的身份證號的,也不會通過身份證號去看你是哪里人雖然通過身份證號能看出你所在地區。我們通常會通過分類、名稱、規格型號等信息來查詢物料的。否則還需要一個巨大的對照表來解釋每個字母的意義。企業管理是把問題簡單化而不是搞得更復雜。
現在物料的生命周期也很短,純數字編碼幾秒就能完成一個編碼,如下圖所示,只要選擇分類即可自動產生編碼

不過凡事沒有絕對的,只要適合企業就行,適當使用字母也是可以的,比如扳手使用BS開頭,螺絲使用LS開頭。
5、沒有擴展性
當初編碼的時候沒有考慮太長遠,導致新的料號不能按已有的規則增加。比如4 00 00 01,四級分類01只有2位數,最多99個物料現在不夠用了。

解決對策:制定編碼規則時對各種情況一一舉例說明,大類盡量合并,種類區分明確,小類盡量細分。流水號可以多留幾位,編碼長一點不會影響使用效率的,筆者建議對于有幾千個物料的企業,編碼長度8~10位比較適合,另外編碼長度最好統一。不要出現成品編碼長度是7位,原材料編碼長度是10,查詢出來有長有短的很難看。
6、ERP系統選型不當
由于使用的ERP系統功能局限,導致編碼工作不夠方便,已經在使用的編碼按道理不能直接刪除的,居然可以直接刪除!
某蝶的ERP系統物料編碼中必須帶.
選擇功能強大的ERP系統可以大大提高工作效率。另外筆者估計3年內會出現有AI算法的ERP系統,讓ERP更加智能。
上一個文章:國外大型套裝ERP在中國正走向沒落
下一個文章:企業選擇ERP系統時要注意什么?